Renson & Cedrey : Cuve de stockage & solutions pour professionnels
Compte utilisateur
Icône de recherche
/
/
/
/
/
ENROUL AUTO + FLEX 10M D20
ENROULEUR ACIER POUR GASOIL
Code 104930
ENROUL AUTO + FLEX 10M D20 ENROUL AUTO + FLEX 10M D20
Image avantage produit
Système d’arrêt automatique : permet de bloquer le flexible à la dimension désirée
Image avantage produit
Ressort enrouleur automatique à force constante complètement protégé
Image avantage produit
Bras réglable afn de favoriser la sortie du flexible en fonction de l’installation de l’enrouleur

ENROULEUR ACIER POUR GASOIL

EQUIPE FLEXIBLE 10M EN 3/4''
Réf. 104930

Connectez-vous pour connaître votre prix

Afficher le mot de passe
Mot de passe oublié ?
Vous n'avez pas de compte ?
Créez un compte distributeur

Accessoires conseillés

Sélectionnez un ou plusieurs accessoires pour les ajouter à votre panier
PIVOT ENROULEUR 975105

518993

SUPPORT MURAL PIVOTANT

POUR ENROULEUR ACIER

FLEX JONCTION D25 L1M000 TOURN

139737

FLEXIBLE DE JONCTION Ø 25MM

1M AVEC RACCORD TOURNANT

FLEX JONCTION D25 L1M500 TOURN

139738

FLEXIBLE DE JONCTION Ø 25MM

1,5M AVEC RACCORD TOURNANT

FLEX JONCTION D25 L 2M TOURN

139739

FLEXIBLE DE JONCTION Ø 25MM

2M AVEC RACCORD TOURNANT

MANCHON D&G GAL N°271 FF 1P

101419

MANCHON DROITE & GAUCHE GALVA

N°271 FF 1''

MANCHON LAIT N°270L FF 1P

110269

MANCHON LAITON FF 1''

ENROUL AUTO GASOI FLEX 10M3/4'

156513

ENROULEUR ABS POUR GASOIL

EQUIPE FLEXIBLE 10M EN 3/4''

COUDE 90 LAIT 92L MF 1P

110263

COUDE LAITON 90° MF 1''

COUDE 90 LAIT 90L FF 1P

101242

COUDE 90° LAITON 90L FF 1''

Connectez-vous pour ajouter au panier

Tableau technique

Dimension A :
150 mm
Matière :
Acier peint
Pression max :
10 bar
Type :
Automatique
Diametre du flexible :
3/4''
Flexible :
10 m
Liquide :
Gasoil / GNR
Raccord entrée :
M1''
Raccord sortie :
M1''
Dimension B :
500 mm
Dimension C :
490 mm
Dimension D :
210 mm
Dimension E :
180 mm
Dimension F :
204 mm
Dimension G :
235 mm
Poids :
26 kg
Support :
Fixe

Documents relatifs au produit

Icône document
Fiche technique
Format PDF
Icône document
Code EAN
Format WEB
Icône document
Plan d'encombrement
Format JPG | 828.42 Kb

Avantages produits

Image avantage produit
Système d’arrêt automatique : permet de bloquer le flexible à la dimension désirée
Image avantage produit
Ressort enrouleur automatique à force constante complètement protégé
Image avantage produit
Bras réglable afn de favoriser la sortie du flexible en fonction de l’installation de l’enrouleur
Image avantage produit
Rouleaux de guidage flexible auto-lubrifants
Image avantage produit
Tampon bloque flexible réglable
Image avantage produit
Flexible de distribution caoutchouc noir anti-UV renforcé avec une tresse textile (protège des frottements sur le sol)

Description technique

Solution idéale pour sécuriser et ordonner les stations services gasoil/GNR privatives : agricoles, poids lourds, travaux publics, flotte de véhicules légers et/ou utilitaires,…
Structure et tambour en acier peint. L’acier peint résistant à la corrosion permet une utilisation professionnelle sous abri ou en extérieur.

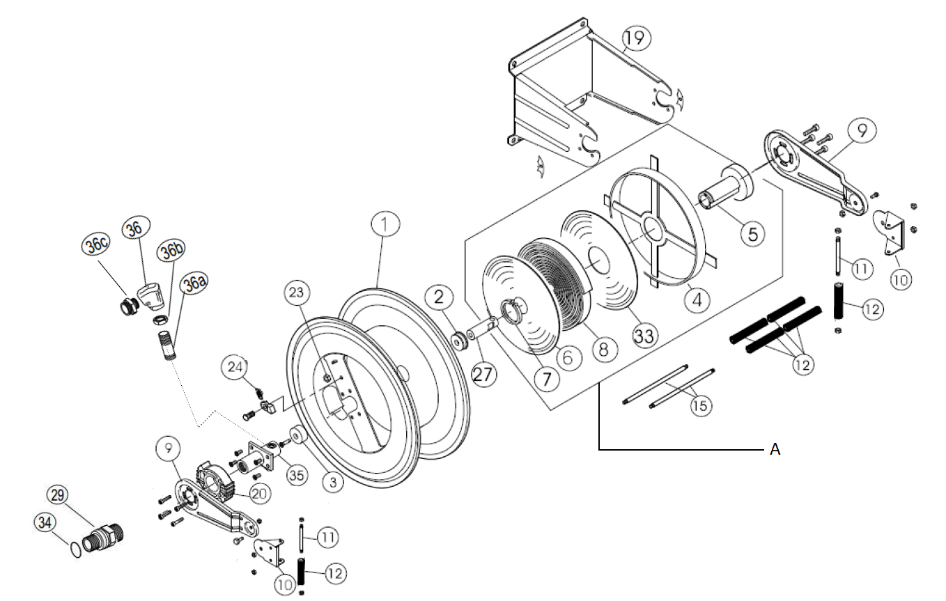
Vues éclatées

01 Sur commande
812409
TAMBOUR POUR ENROULEUR 975105
03 Sur commande
812365
TAMPON 26x34 POUR ENROULEURS
05 Ce produit n'est plus disponible
812366
MOYEN D'ENROULEMENT POUR ENROULEUR 973547 - 975105
07 Sur commande
812349
CIRCLIPS POUR ENROULEURS
09 Sur commande
812391
BRAS POUR ENROULEURS
10 Sur commande
164386
ETRIER POUR ENROULEURS
11 Sur commande
164387
TIRANT POUR ENROULEURS
12 Sur commande
812368
ROULEAU POUR ENROULEURS
15 Sur commande
164389
TIRANT POUR ENROULEURS
19 Sur commande
812390
SUPPORT POUR ENROULEURS
20 Sur commande
812381
CLIQUET POUR ENROULEURS
21 Sur commande
812362
LOQUET D'ARRET POUR ENROULEURS
24 Sur commande
518990
RESSORT CLIQUET POUR ENROULEURS
27 Sur commande
812350
CLIQUET POUR ENROULEURS
29 + 34 Sur commande
164904
RACCORD TOURNANT POUR ENROULEUR 975105
35 - 36 Sur commande
164903
BROCHE DE CONNECTION 1'' POUR ENROULEUR 975105
A Sur commande
812413
KIT RESSORT D'ENROULEMENT POUR ENROULEUR 975105
Entreprise Française
Entreprise Française
Plus de 100 ans d'expérience
Plus de 100 ans d'expérience
Spécialiste multi-fluides
Spécialiste multi-fluides
Un conseiller dédié
Un conseiller dédié
Livraison rapide
Livraison rapide