Compte utilisateur
Icône de recherche
97,4% de produit A en stock
/
/
/
/
/
MALAX 2,2KW 6P MONTE/CHAR
MALAXEUR MONTE SUR CHARIOT
Code 850006
MALAX 2,2KW 6P MONTE/CHAR MALAX 2,2KW 6P MONTE/CHAR MALAX 2,2KW 6P MONTE/CHAR MALAX 2,2KW 6P MONTE/CHAR
Image avantage produit

Outil d’homogéinisation, le malaxeur est indispensable avant le pompage et le traitement du lisier.
Il est essentiel de déterminer avec précision vos besoins afin de vous conseiller au mieux dans votre choix.
L’efficacité d’un malaxeur est calculée grâce à la puissance du moteur et à la poussée axiale.

À QUOI ÇA SERT ?
Ce chariot équipé d'un malaxeur est utilisé pour les lisiers de porcs en fosse sous caillebotis et lisiers de bovins en petite fosse sous caillebotis (parc d’attente).
Son mât télescopique permet au malaxeur de descendre jusqu’à 1.80m sous caillebotis et sa conception (réduite en hauteur) lui permet de passer sous toutes les portes.

LES + PRODUIT
Image avantage produit
Descente sécurisée grâce au treuil auto freiné et au mât télescopique
Image avantage produit
La platine téléscopique permet une orientation à 340° du malaxeur
Flèche pour valeur1
Flèche pour valeur2

MALAXEUR MONTE SUR CHARIOT

2,2KW 6 POLES
Réf. 850006

Connectez-vous pour connaître votre prix

Afficher le mot de passe
Mot de passe oublié ?
Vous n'avez pas de compte ?
Créez un compte distributeur

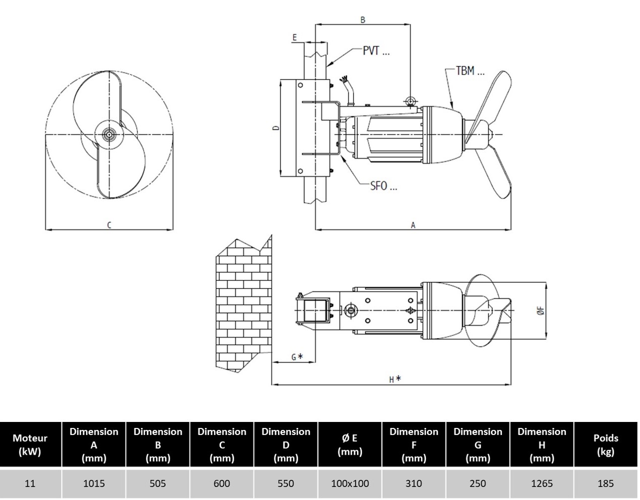
Tableau technique

Poids :
185 kg
Ampérage :
5 A
Puissance :
2,20 kW
Tour/min :
323
Modèle :
TBM
Débit :
1 333 m3/h
Nombre de pales :
2

Documents relatifs au produit

Icône document
Fiche technique
Format PDF
Télécharger le document
Icône document
Code EAN
Format WEB
Icône document
Notice
Format PDF | 2.74 Mb
Icône document
Plan d'encombrement
Format JPG | 122.06 Kb

Avantages produits

Image avantage produit

Outil d’homogéinisation, le malaxeur est indispensable avant le pompage et le traitement du lisier.
Il est essentiel de déterminer avec précision vos besoins afin de vous conseiller au mieux dans votre choix.
L’efficacité d’un malaxeur est calculée grâce à la puissance du moteur et à la poussée axiale.

À QUOI ÇA SERT ?
Ce chariot équipé d'un malaxeur est utilisé pour les lisiers de porcs en fosse sous caillebotis et lisiers de bovins en petite fosse sous caillebotis (parc d’attente).
Son mât télescopique permet au malaxeur de descendre jusqu’à 1.80m sous caillebotis et sa conception (réduite en hauteur) lui permet de passer sous toutes les portes.

LES + PRODUIT
Image avantage produit
Descente sécurisée grâce au treuil auto freiné et au mât télescopique
Image avantage produit
La platine téléscopique permet une orientation à 340° du malaxeur
Image avantage produit
Câble d’alimentation guidé, évite qu’il puisse être sectionné dans les pâles
Image avantage produit
Inverseur de sens de rotation

Description technique


COMPOSITION
• Mât télescopique : descente sécurisée par treuil à cliquet
• Treuil zingué avec câble inox : dispositif de freinage équipé d’un câble inox (en prévention de la corrosion liée à un environnement alcalin des élevages porcins)
• Inverseur des sens de rotation : permet de s’adapter à toutes les installations électriques
• Boîtier de protection moteur : système anti-démarrage en cas de coupure de courant
• Platine de rotation : permet l’orientation à 340° du malaxeur sans déplacer le chariot. Il est donc possible de mélanger vos salles depuis son point central.
• Sangles de solidarisation : permettent de s’amarrer sur les caillebotis
• Roues : 1 roue mobile à l’avant et 2 roues basculantes à l’arrière, permettent une maniabilité optimale
• Bâti renforcé : adapté aux salles d’élevage, peu encombrant
• Câble d’alimentation : le chariot est fournit avec 5 mètres de câble 4G2,5 guidé à l’intérieur du mât pour une meilleure sécurité
• Béquille de fond de fosse : permet une meilleure protection du malaxeur
• Performance des malaxeurs : produit livré avec malaxeur monté sur chariot.
Le malaxeur est un malaxeur 2,2kW, 3 pales,moteur électrique triphasé, corps et paliers en fonte, hélices en acier inoxydable avec profil auto nettoyant et garnitures en carbure de tungstène

Le produit a été utilisé dans les réalisations suivantes

GAEC MONT LASSOIS - 21400 ETROCHEY
21400 ETROCHEY

GAEC MONT LASSOIS - 21400 ETROCHEY

Le GAEC MONT LASSOIS est un producteur de lait et fromage bio de 80 vaches. Pour résoudre un problème de formation de croûtes dans sa fosse, l'éleveur a installé un malaxeur sur chariot, sur les conseils d'Anthony REBRAY.

Entreprise Française
Entreprise Française
Plus de 100 ans d'expérience
Plus de 100 ans d'expérience
Spécialiste multi-fluides
Spécialiste multi-fluides
Un conseiller dédié
Un conseiller dédié
Livraison rapide
Livraison rapide